合肥融创乐园,一座大型徽文化主题乐园,将传统徽派文化精髓与高科技游乐完美结合,且占地面积超40万平方米。园区内分为6大主题区域,拥有数十台风格各异的游玩设备,以及淝水之战、梦蝶、梦幻花车巡游、大湖秀四大经典演艺。在它的标志门面——脸谱广场,MotiVity以值得信赖的产品与品质成为其音频扩声系统的中坚力量。

在这里,使用了四组线阵列系统,每组由4只M-10+1只M-25BW组成(分布位置如示意图所示)。①②点作为主扩声系统位于广场大门两侧,③④点作为延时补声系统位于广场中段两侧。
由于脸谱广场扩声面积较大,为实现良好的声像定位效果,采用了分布式集中式扩声法,对③④点的线阵列系统在处理器进行了延时处理,以保证观众听到的声能还是从①②点的主扩声能过来的,从而实现灯光秀的音视觉同步。

线阵列系统分布位置示意图

M-10+M-25BW组成的线列阵系统
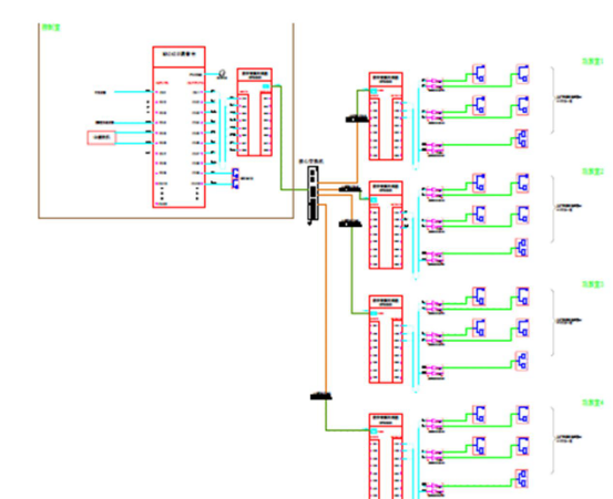
音频处理方面,由于现场走线范围大,为保证音效故就近取点。①③点机柜位于广场大门左侧的机柜点1,②④点机柜位于广场大门右侧的机柜点2。
每个点均配置3台H6功放,其中2台驱动M-10,1台驱动M-25BW。再各使用了一台DP8080D数字音频处理器+Dante8.8卡实现音频传输,以及一台CP382电源时序器管理电源开关。此外,加入一台MA1410-F调音台对信号进行前级放大和音源的艺术加工。

音频处理系统图

左:①③点机柜 / 右:②④点机柜

MA1410-F调音台
系统传输方式上,考虑现场传输距离大,为了减少长距离带来的声衰减,所以采用Dante传输,由总核心控制机柜上的核心交换机进行管理传输全部的音频信号,并配置了一台SC-802电源时序器控制电源开关。


Dante使用软件图

总核心控制机柜
声光同步的实现,则在音频扩声系统的总控机柜,埋线穿管两条4芯音频线连接到灯光控制室的电脑机柜处,一条为小3.5(耳机接口),接到了灯光常用的电脑上,另一条为备用线材。
当需要展示灯光秀的时候,只要灯光控台传输信号触发到灯光控制室的电脑,电脑实现自动播放音乐,音频信号就会传输到调音台的输入端位置,从而实现音频的同步输出。

左上角的输入通道1、2为灯光输入信号

从设备的选用,到音频处理和信号传输,再到实现声光同步,整个过程MotiVity贯穿其中,融入到合肥融创乐园脸谱广场,带来优质扩声;相信也会为乐园往后的游乐活动持续护航,呈现更多精彩的声光之秀!